SL Centrifugal Separators Have been Applied For the Recovery of Tungsten And Tin Fine Mud in Jiangxi Piaotang Tungsten Co., Ltd.
Jiangxi Piaotang Tungsten Industry Co., Ltd. is a key non-ferrous metal mining and beneficiation enterprise in the core production area of tungsten mines in southern Jiangxi. It is affiliated with Jiangxi Tungsten Holding Group Company Limited, with an annual ore processing capacity of several million tons. Its main products, tungsten, tin and molybdenum concentrates, are widely used in many high-end manufacturing fields.
In the mineral processing of this plant, tungsten-tin minerals are brittle and easily broken. The mining, crushing, and grinding processes generate a large amount of primary and secondary fine mud. This fine mud, comprising approximately 65% of the materials with a particle size of -0.074mm, is difficult to recover due to its small size, resulting in resource waste and environmental pressure. Previously, the company used a continuous grinding-shaking table gravity separation process for recovery, but this process has low efficiency in separating fine-grained minerals, and the recovery rate of tungsten and tin has remained low for a long time, restricting the improvement of resource utilization and economic benefits.
SL centrifugal separator is an effective method for separating fine-grained heavy minerals, but traditional centrifugal separator has limitations in application. The SL series centrifugal separator developed by SLon, through optimized separation cylinder cone angle, wear-resistant innovative design, large-scale equipment, and pneumatic control system development, possess advantages such as high operating efficiency, large enrichment ratio, and small lower limit particle size for separation. Since 2005, nearly 1000 sets have been deployed and applied.
I. Structure and Working Principle of SL Centrifugal Separator
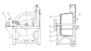
The structure of SL centrifugal separator is shown in Figure 1. The centrifugal separator mainly consists of wear-resistant drum, feeding device, discharge box, a concentrate washing water device, a rinsing water device, and a pneumatic control system.

1-Centrifugal drum;2-Frame; 3-Rinsing pipe; 4-principal axis; 5-Cover; 6-Feeding device; 7-discharge box; 8-concentrate flushing pipe; 9-Reel moter;
F-Feed; C-Concentrate; Wf-Concentrate flushing water; Wr-Rinsing water; Wx-Action
The slurry is fed to the inner surface of the drum by the feeding device and rotates with the drum driven by the centrifugal drum. The inner surface has a slope along the axial direction, and the slurry flow also flows along the axial direction at a certain velocity.In this way, the pulp moves in a spiral direction on the inner surface of the drum.
Under the combined action of weak turbulent film and centrifugal force field, the selective separation of mineral particles with different densities occurs. In a very short period of time, the large density ore particle group centrifugal settled to the inner surface of the centrifugal drum, and the compacted thin layer of particles rotated with the drum. Small specific gravity ore group cannot reach the bottom of the flow film due to pulsating diffusion of the flow film, and it is discharged along the drum slope along with the liquid phase into small specific gravity products (tailings) which are discharged into the tailings receiving trough through the ore discharging device. When ore feeding is suspended, the concentrate flushing device flushes and discharges the heavier product (concentrate) into the ore discharging device and into the concentrate receiving slot.
II. Application of SL Centrifuges in Piaotang Tungsten Mine
To address this technical challenge, Piaotang Tungsten Mine, after extensive research and technical demonstration, launched a major technological transformation project in 2017, introducing 21 SL-1600 centrifugal separator and constructing a new process for recovering tungsten-tin fine mud using a three-stage centrifuge-based coarse and fine separation method. This process fully leverages the technical advantages of the SL centrifugal separator, such as low separation limit particle size, large enrichment ratio, and high processing efficiency. Through coarse pre-enrichment and three stages of fine separation, it achieves efficient recovery of useful minerals from tungsten-tin fine mud.

With a tungsten grade of 0.20% and a tin grade of 0.10% in the feeding slurry, the new process produces a mixed tungsten-tin concentrates with a tungsten grade of no less than 15% and a tin grade of no less than 5%, with a tungsten recovery rate of over 80% and a tin recovery rate exceeding 53%. Compared with the original shaking table gravity separation process, the new SL centrifugal separator process increases the recovery rate of both tungsten and tin slime by more than 15 percentage points, significantly improving the comprehensive utilization rate of mineral resources and generating considerable economic benefits for the company each year.
|
Mine |
Feeding Particle Size |
Feeding Grade /% |
Tungsten-tin Concentrates/% |
|||||
|
Sn |
WO3 |
Yield Rate |
Sn |
WO3 |
Sn Recovery Rate |
WO3 Recovery Rate |
||
|
Piaotang Tungsten Mine |
−0.074 mm (65%) |
0.10% |
0.20% |
1.07% |
5.0% |
15.0% |
53.50% |
80.25% |
Furthermore, the new process significantly improves the fine sludge processing capacity, effectively alleviates tailings storage pressure, reduces environmental governance costs, and achieves a balance between economic, resource, and environmental benefits. Thanks to its significant technological advantages and application results, the SL-1600 centrifugal separator has been widely adopted in the Gannan region of Jiangxi Province, with nearly 60 units of this model currently used in local tungsten-tin fine sludge recycling production. Meanwhile, some SL-400 centrifugal separator have been used by research institutions such as Jiangxi University of Science and Technology and Ganzhou Nonferrous Metallurgical Research Institute Co., Ltd. for laboratory testing and research, providing important technical support for further optimizing separation process parameters and expanding the application fields of centrifuges. It has also accumulated valuable experience for the development of fine-particle nonferrous metal mineral separation technology in China.

